- 네이버 오디오필 카페
- 네이버 하이디오 보청기 카페
- -
- OPM3320D
- OPM3320S
- OPM2320D
- OPM2320S
- OPM401 (DUAL)
- OPM402 (SINGLE)
- OPM2401 (DUAL)
- OPM2402 (SINGLE)
- OPA301 (DUAL)
- OPA302 (SINGLE)
- OPA2301 (DUAL)
- OPA2302 (SINGLE)
- OPM306 (DUAL)
- OPM307 (SINGLE)
- OPM316 (DUAL)
- OPM317 (SINGLE)
- OPM3402 (Single)
- OPM3401 (Dual)
- OPA3302 (Single)
- OPA3301 (Dual)
- 오디오필 카페
| 일 | 월 | 화 | 수 | 목 | 금 | 토 |
|---|---|---|---|---|---|---|
| 1 | 2 | 3 | ||||
| 4 | 5 | 6 | 7 | 8 | 9 | 10 |
| 11 | 12 | 13 | 14 | 15 | 16 | 17 |
| 18 | 19 | 20 | 21 | 22 | 23 | 24 |
| 25 | 26 | 27 | 28 | 29 | 30 | 31 |
- 진공관
- 디스크리트 오피앰프
- 오디오
- opm2320
- discrete op amp
- opa301
- opm3320
- HD2265
- 슬롯오디오
- opm2320d
- 조립오디오
- 반도체
- CCDT
- 고음질
- opm320
- 하이파이
- 증폭기
- 메인보드 공개
- 게르마늄
- opm2320s
- 메인보드
- 오디오필
- 어샘블리오디오
- AudioFeel
- HI-FI
- ms15a
- 오디오 메인보드
- 하이엔드
- opm3320d
- opm3320s
- Today
- Total
오디오필 음향연구소 (AudioFeel) ~ 인류를 즐겁게… ~
오디오필 디스크리트 오피앰프를 선택방법 설명 2 본문
1. AUDIOFEEL 디스크리트 오피앰프는
1-1. AUDIOFEEL 디스크리트 오피앰프에서 싱글 타입은;
1-1-1. 1G OPM402 시리즈 (낮은 임피던스)
1-1-2. 1G OPM2402 시리즈 (높은 임피던스)
1-1-3. 2G OPM2320S 시리즈 (높은 임피던스, OPM2320S, OPM2320S-E09, 등...)
1-1-4. 2G OPM3320S 시리즈 (낮은 임피던스, OPM3320S, OPM3320S-E09, 등...)
1-2. AUDIOFEEL 디스크리트 오피앰프에서 듀얼 타입은;
1-2-1. 1G OPM401 시리즈 (낮은 임피던스)
1-2-2. 1G OPM2401 시리즈 (높은 임피던스)
1-2-3. 2G OPM2320D 시리즈 (높은 임피던스, OPM2320D, OPM2320D-E09, 등...)
1-2-4. 2G OPM3320D 시리즈 (낮은 임피던스, OPM3320D, OPM3320D-E09, 등...)
많은 디스크리트 오피앰프 중에서 가장 적합한 것을 선택하는데 있어서 다음 사항을 검토해야 합니다.
2. 주로 듣는 음악의 종류에 따른 선택.
2-1. 1G는 현악기 위주의 음악 장르(클래식에 적합하며, 섬세한 사운드가 특징입니다. (1G OPM402 등...)
2-2. 2G는 올라운드 음악에 적합합니다. 힘과 스피드와 감성적인 사운드가 특징입니다. (2G OPM2320 등...)
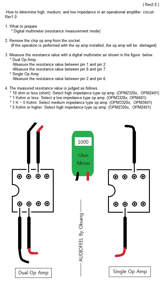
3. 기기의 오피앰프 회로 임피던스 확인.
사용하는 오디오 기기에 오피앰프를 구성하는 회로 임피던스를 알면 최상의 사운드를 얻을 수 있습니다.
자세히 설명하면;
첨부된 그림에서 설명하는 방법으로 피드백 저항의 값을 측정하고,
높은 임피던스인지 아니면 낮은 임피던스인지 확인하여,
위 글에서,
1G 에서는 1-1 또는 1-2 중에서 선택,
2G 에서는 1-3 또는 1-4 중에서 선택,
4. 디스크리트 오피앰프의 모양 선택.
2G 디스크리트 오피앰프에 해당하는 것으로,
OPM2320 시리즈에서 여러 모양이 있습니다. (OPM2320 기본형, OPM2320-E09, OPM2320-TP16 등)
또는,
OPM3320 시리즈에서 여러 모양이 있습니다. (OPM3320 기본형, OPM3320-E09, OPM3320-TP16 등)
동일한 시리즈에서 모양은 달라도 성능과 사운드 특성은 모두 동일합니다. 기기에 설치하기 적합한 모양을 선택하면 됩니다.
감사합니다.


'공지사항' 카테고리의 다른 글
| AUDIOFEEL의 2022. 3. 21 이후 자료는 아래 링크에 있습니다. (1) | 2022.10.15 |
|---|---|
| 포터블 기기에 디스크리트 오피앰프 사용을 고려 중이시라면 검토할 내용입니다. (2) | 2022.03.21 |
| 기술 수요 기업체를 발굴하는 방법에 대한 계획 (0) | 2022.02.26 |
| 오디오필 디스크리트 오피앰프에 적용된 기술의 평가 내용 (0) | 2022.02.14 |
| 기술 홍보용 동영상이 제작되었습니다. (0) | 2022.01.24 |