Notice
Recent Posts
Recent Comments
Link
- 네이버 오디오필 카페
- 네이버 하이디오 보청기 카페
- -
- OPM3320D
- OPM3320S
- OPM2320D
- OPM2320S
- OPM401 (DUAL)
- OPM402 (SINGLE)
- OPM2401 (DUAL)
- OPM2402 (SINGLE)
- OPA301 (DUAL)
- OPA302 (SINGLE)
- OPA2301 (DUAL)
- OPA2302 (SINGLE)
- OPM306 (DUAL)
- OPM307 (SINGLE)
- OPM316 (DUAL)
- OPM317 (SINGLE)
- OPM3402 (Single)
- OPM3401 (Dual)
- OPA3302 (Single)
- OPA3301 (Dual)
- 오디오필 카페
| 일 | 월 | 화 | 수 | 목 | 금 | 토 |
|---|---|---|---|---|---|---|
| 1 | 2 | 3 | ||||
| 4 | 5 | 6 | 7 | 8 | 9 | 10 |
| 11 | 12 | 13 | 14 | 15 | 16 | 17 |
| 18 | 19 | 20 | 21 | 22 | 23 | 24 |
| 25 | 26 | 27 | 28 | 29 | 30 | 31 |
Tags
- opm320
- 고음질
- 슬롯오디오
- HI-FI
- 게르마늄
- opm2320
- 오디오필
- opm3320s
- 하이파이
- CCDT
- opm3320
- 디스크리트 오피앰프
- opm2320d
- opm3320d
- 반도체
- opa301
- 메인보드 공개
- 조립오디오
- 진공관
- HD2265
- 오디오 메인보드
- 하이엔드
- 오디오
- 메인보드
- AudioFeel
- 증폭기
- 어샘블리오디오
- ms15a
- opm2320s
- discrete op amp
Archives
- Today
- Total
오디오필 음향연구소 (AudioFeel) ~ 인류를 즐겁게… ~
업그레이드하고자 하는 오디오 기기에서 오피앰프 선택 방법 (초 간단 설명) 본문
오피앰프를 업그레이드하고자 하는 오디오 기기에 대한 카페(포럼) 사이트에서 도움 받을 것을 추천합니다.
나의 생각은 아래 정보가 있다면 디스크리트 오피앰프를 선택하는데 도움이 될 것이라 생각합니다.
오디오 기기 보드에서;
1. 디스크리트 오피앰프로 교체하려는 오피앰프 소켓의 위치 번호.
2. 오피앰프의 형번 또는 싱글 오피앰프? 또는 듀얼 오피오피앰프?
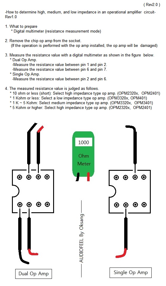
3. 오피앰프 소켓에서 첨부된 그림의 설명에 의한 저항 값을 측정하면 디스크리트 오피앰프의 형번을 선택할 수 있습니다.
4. 설치하기 적합한 디스크리트 오피앰프의 모양을 선택.
(동일한 디스크리트 오피앰프의 형번인 경우, 모양은 다르지만 성능과 사운드 성향은 동일합니다.)
(추가)
5. 기기에서 공급할 수 있는 총 전류 확인.
오디오필 디스크리트 오피앰프 중에서;
1G OPM401 시리즈는 현악기가 포함된 고전음악에 좋습니다. (유럽 지역에서 인기 있습니다)
2G OPMx320 시리즈는 현대음악과 고전음악에 모두 좋습니다.
초 간단 설명이었습니다.
감사합니다.


'공지사항' 카테고리의 다른 글
| 오디오필 디스크리트 오피앰프에 적용된 기술의 평가 내용 (0) | 2022.02.14 |
|---|---|
| 기술 홍보용 동영상이 제작되었습니다. (0) | 2022.01.24 |
| OPMx430 시리즈 검토는 계속 진행중입니다. (0) | 2021.12.01 |
| 오디오필 디스크리트 오피앰프 종류 / 개념 / 비교 (0) | 2021.09.29 |
| 풍성하고 행복 넘치는 한가위 되세요. (0) | 2021.09.18 |
Comments