- 네이버 오디오필 카페
- 네이버 하이디오 보청기 카페
- -
- OPM3320D
- OPM3320S
- OPM2320D
- OPM2320S
- OPM401 (DUAL)
- OPM402 (SINGLE)
- OPM2401 (DUAL)
- OPM2402 (SINGLE)
- OPA301 (DUAL)
- OPA302 (SINGLE)
- OPA2301 (DUAL)
- OPA2302 (SINGLE)
- OPM306 (DUAL)
- OPM307 (SINGLE)
- OPM316 (DUAL)
- OPM317 (SINGLE)
- OPM3402 (Single)
- OPM3401 (Dual)
- OPA3302 (Single)
- OPA3301 (Dual)
- 오디오필 카페
| 일 | 월 | 화 | 수 | 목 | 금 | 토 |
|---|---|---|---|---|---|---|
| 1 | 2 | 3 | 4 | 5 | 6 | 7 |
| 8 | 9 | 10 | 11 | 12 | 13 | 14 |
| 15 | 16 | 17 | 18 | 19 | 20 | 21 |
| 22 | 23 | 24 | 25 | 26 | 27 | 28 |
- discrete op amp
- 오디오 메인보드
- 하이파이
- 진공관
- opm2320
- opm320
- 증폭기
- opm3320
- HI-FI
- 오디오
- 어샘블리오디오
- 디스크리트 오피앰프
- 오디오필
- 메인보드 공개
- 슬롯오디오
- 메인보드
- opa301
- 하이엔드
- opm3320d
- AudioFeel
- 조립오디오
- 반도체
- CCDT
- HD2265
- ms15a
- 고음질
- opm2320s
- 게르마늄
- opm2320d
- opm3320s
- Today
- Total
오디오필 음향연구소 (AudioFeel) ~ 인류를 즐겁게… ~
푸시풀증폭기에서 부하 구동력을 향상시키는 신기술 체험해 보기 본문
(이 글의 작성방향을 알려 드립니다)
-기존 기술의 정전압 바이어스회로가 크게 잘못된 것은 아닙니다.
-신기술 이론은 작은신호 또는 섬세한 신호에 미치는 영향에 포커스를 두고 있습니다.
-현재 기술로는 이 부분을 계측하기는 어렵다고 생각합니다. 청음으로 비교해 보는 방법만 가능할 것 같습니다.
근래에 들어와서 오디오의 사운드 향상에 관심이 높아지고 있습니다.
누구나 맑고 깨끗하고 풍성하고 무대감 좋고 힘있는 아날로그적인 사운드를 원하고 있습니다.
좋은 사운드가 되기 위해서는
첫번째로 앰프의 출력단의 성능이 좋아야 합니다.
출력에 접속된 헤드폰이나 스피커로 변형되지 않은 증폭된 신호가 그대로 전달되어야 합니다.
변형되지 않은 신호를 전달하기 위해서는 출력단의 구동력이 좋아야합니다.
통상적으로 전원단이 충실해야 한다고 이야기 하지만 그보다도 앰프의 출력단이 더 중요합니다.
그래서 이번에 부하 구동력을 향상시키는 신기술을 체험 해 볼수 있는 기회를 제안해 보기로 하였습니다.
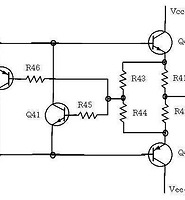
아래 그림의 좌측 회로는 일반적으로 앰프에 적용하는 푸시풀증폭기의 출력단 입니다.
아래 그림의 좌측 회로의 빈 사각박스에는 출력트랜지스터(Q3, Q4)의 베이스에 바이어스를 공급하기 위한 바이어스회로 부분입니다.
아래 그림의 좌측 회로의 좌측 빈박스에 해당하는 종전의 바이어스회로는 아래 그림의 중앙부에 Two Diode Bias회로와 One Transistor Bias 회로로 되어 있습니다. 많이 익숙한 회로 입니다.
이 두 바이어스회로를 아래 그림의 우측에 신기술(JINs Bias) 바이어스회로로 교체하면 앰프의 구동력이 대폭 향상되는 것을 체험할 수 있습니다.
아래 그림의 좌측 회로의 빈 사각박스 부분에 종전의 바이어스회로를 신기술의 바이어스회로(JINs Bias)로 교체해 봄으로써 성능을 체험해 볼수 있습니다.
체험해 보기 위해서는 잘 동작하는 앰프가 있어야 합니다. 부담없이 실험해 볼 수 있는 것이 좋습니다.
헤드폰앰프나 디스크리트 앰프나 자작한 앰프 등을 이용하시면 될 것 같습니다.
고려해야 할 것은
아래 그림의 좌측 회로와 같이 출력 트랜지스터가 달링톤 구성이 아닌 회로에만 적용됩니다.
아마도 실험하려는 앰프에는 아래 그림의 중앙부에 Two Diode Bias회로와 One Transistor Bias 회로와 같은 회로로 구성되거나 조금 변형된 회로로 되어 있을 것 입니다.
체험방법은
실험하려는 앰프의 Two Diode Bias회로 또는 One Transistor Bias 회로를 제거하고 아래 그림의 우측 회로(JINs Bias)를 그대로 적용하면 됩니다. 그대로 구성하면 적정한 아이들링 전류가 흐르기 때문에 조정할 필요가 없습니다.
궁금한점 은 리플을 다시면 될것 같습니다.
체험 후 결과를 알려주는 센스를 좋아합니다.^^
미리 감사드립니다. 꾸벅...
'회로기술' 카테고리의 다른 글
| 트랜지스터의 단점을 보완하는 기술 – 제1부 (0) | 2017.10.12 |
|---|---|
| 어셈블리오디오(Assembly Audio System) 개발 시작품 - 제8부 (PSU 보드) (0) | 2017.09.24 |
| 푸시 풀 증폭기에서 부하 구동력을 향상시키는 신기술 - 제3부 (0) | 2017.07.26 |
| 푸시 풀 증폭기에서 부하 구동력을 향상시키는 신기술 - 제2부 (0) | 2017.07.26 |
| 푸시 풀 증폭기에서 부하 구동력을 향상시키는 신기술 - 제1부 (0) | 2017.07.25 |